技术交流
数字示波器的发展极大的降低了低速总线调试的难度,无论是IIC、SPI还是CAN、LIN等,示波器都可以直接将波形转化成数据。传闻近日有一台示波器可以直接破解30多种通信协议,我们一起看看都是哪些协议。
在讲解示波器具体的解码内容之前,首先来看一下伴随着示波器的发展,协议解码出现了哪些变化。
一、简述示波器发展给协议解码带来的便捷
示波器从模拟示波器发展到数字示波器,带来了许多大的改变,例如信号采集、带宽、采样率、屏显等。同样,这样的改变也体现在“协议解码”上,新的解码方式将人们从“0”,“1”的世界中解放出来,大大提高了工作效率。
图1 0/1的世界
下面,我们具体看一下示波器发展中协议解码方式的变化。
最初的协议解码
最初的示波器只是一个简单的波形显示兼数据测量,而我们需要获取协议波形深层次的含义,则需要一段一段去分析。
例如:观察IIC协议,一个时钟信号,一个数据信号,我们需要按照时钟与数据信号一位一位对应,去进行0/1的组合转换,将其“翻译”成我们需要形式,再去对应相应的物理量。这样不仅工作量大、效率低,,而且还容易出错。
图2 最初的协议解码
现在的协议解码
直接将波形数据解码后以十六进制、十进制或字符的形式呈现出来,省去了工程师转换的过程,大大加快了开发效率。如图3为一段CAN协议的解码,可以一步到位。
图3 双ZOOM下的CAN协议解码
二、简要介绍每一种协议
目前,在示波器上,除了大家所熟知的CAN、UART、IIC、USB等协议解码外,还有许多使用越来越频繁的协议。下面,我们按照协议的应用一一介绍。
1、汽车电子所使用的协议解码
表1 汽车电子相关协议及特征

如图4为WTB协议解码

图4 双ZOOM下的WTB协议解码
2、IC接口相关协议
表2 IC接口相关协议及特征

如图5为SPI协议解码

图5 SPI协议解码
3、电脑周边相关协议
表3 电脑周边相关协议级特征

如图6为USB协议解码

图6 双ZOOM下的USB协议解码
4、无线通信相关协议
表4 无线通信相关协议及特征

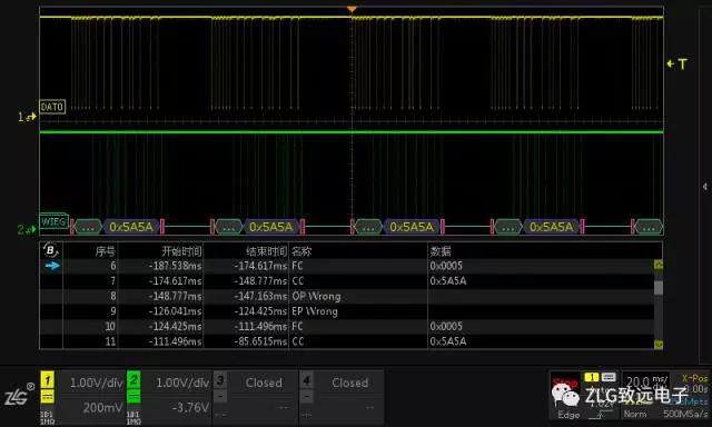
如图7为Wiegand协议解码
图7 Wiegand协议解码
5、各行业相关协议
表5 各行业相关协议及特征

如图8为RS232解码:
图8 双ZOOM下的RS232解码
表6 各行业相关协议及特征

三、ZDS4000所有协议解码全部免费标配
ZDS4000系列示波器免费标配以上30余种协议解码,支持解码以“十进制”,“十六进制”,“字符”三种方式显示,如图9、10所示。
图9 30余种协议解码
图10 协议解码的三种显示方式
同时,支持解码细节显示,具有详细的事件表(事件表内容包括开始时间、结束时间、名称及数据),可以以报表网页或CSV格式导出,方便工程师进一步分析,如图11所示。

图11 事件表的两种导出方式


